最近になって電子工作でニキシー管を扱ったのでいろいろまとめてみました。
高電圧回路に関する注意
ニキシー管表示装置では、点灯のために100V以上の高電圧を使用しています。
高電圧は人体に危険を及ぼす可能性があるため、十分な絶縁、感電対策を行ったうえで取り扱ってください。
本記事を参考にした製作・実験は、すべて自己責任で行うものとし、当方は一切の責任を負いません。
関連記事はこちら
・ニキシー管でいろいろなものを表示するものを作った【ハードウェア編】
・ニキシー管でいろいろなものを表示するものを作った【ソフトウェア編】
・Libre Hardware MonitorでPCの情報を取得する
データシートを読む
まずはデータシートを確認します。これはネットで拾ったIN-12のもの。


とりあえず理解するためにロシア語から翻訳します。OCRにかけてテキストを抽出してDeepL翻訳で読んでいきます。最初はchatGPTにPDFを投げて翻訳しようとしましたが肝心の数値を改ざんされてしまったのでこのやり方にしました。
以下はピンアサインなどを除いた文を翻訳したもの。
シンボル型グロー放電インジケータ
IN-12A及びIN-12Bは幅広い用途の装置において電気信号をデジタル形式で視覚的に表示するために設計されています。
第1端子は矢印で示されています。
ピン配置 RSH31a OST 11 P0 073.008-72 (18ピン及び14ピンは存在しません)
端子の記号は、管をピンの縁側から見た場合を示しています。
主な電気的および光学的特性
放電開始電圧:最大170V
表示電流 数字:最大2.5mA, コンマ:最大0.3mA
カソード輝度:最小100cd/m2
視野角:最小30°
許容動作モード
電源電圧:200V以上
放電維持電圧:120~170V
直流電源供給時の動作電流 数字:2~3.5mA, コンマ:0.7mA
50Hz半波整流回路使用時の平均動作電流 数字:2mA, コンマ:0.2mA
使用上の注意
1. 使用および操作に関する指示 — OST 11 339.003-75 に準拠。
2. ピンは管のベースから 4 mm 以上離してはんだ付けすること。
回路設計で必要なのは、電気的および光学的特性と許容動作モード(訳文ママ)の部分ですね。電極間に最大でも170Vをかければ放電して、数字は2.5mA、コンマは0.3mA流せば表示されるようです(このあと書かれている数値を見るに絶対最大定格ではなさそう)。
電源電圧は200V以上として、推奨動作電流は数字が2~3.5mA、コンマが0.7mAだそうです。放電時の電極間の電圧(放電維持電圧)は120~170Vの間とあります。
点灯させてみる
200Vの電源を使用して、100kΩの電流制限抵抗をはさんで”8″を表示させます。


このとき、電極間の電圧(放電維持電圧)は 127.5V、電流制限抵抗の両端には 76.7V がかかっていました。
抵抗に流れる電流は、オームの法則より
- 76.7V ÷ 100kΩ = 0.767mA
となり、実測値と一致します。
つまり、電源電圧と放電維持電圧が分かれば、任意の表示電流を流すための電流制限抵抗は計算で求められることになります。
しかし、データシートに記載されている放電維持電圧は 120~170V と幅が広く、この値だけを使って抵抗値を決めることができません。
実際に放電維持電圧を測定してみると、表示電流が 2~3.5mA の範囲では 134.3~141.6V となっており、表示電流によって放電維持電圧が変動することが分かりました。
結局のところ、データシートを見るだけでは電流制限抵抗の値を決定するのは難しいようです。試験点灯で放電維持電圧のおおよその値を把握し、最終的にはカット&トライで決めていくのが現実的だと感じました。
表示電流の微調整については、電源電圧を変化させる方法が良い思います。ネット上のニキシー管工作の例を見ると、多くのケースでチョッパ型昇圧回路を使って電源を構成しており、この方式であれば、ある程度電圧を可変にできます。
参考として、電源電圧200V の場合、表示電流を 2mA 流すために必要な電流制限抵抗は 32kΩ となりました。
また、ダイナミック点灯などでニキシー管をパルス電圧で動作させるときは平均動作電流で考えます。データシートによるとパルス動作(50Hz, 半波整流回路のとき)での平均動作電流は数字のカソードで2mA以下とあります。

電流制限抵抗の値はピーク電流から計算します。ピーク電流は
- (ピーク電流) = (平均動作電流) ÷ (デューティー比)
で求めることができるので、平均動作電流を2mAとしたとき 0.002÷0.25=0.008 となります。
このピーク電流から電流制限抵抗を求めます。
市販の電源モジュール
ニキシー管を動作させるためには200V程度の直流電源が必要となります。しかし一から部品をそろえて昇圧回路を組んだりするのは大変です。そんなときに便利な電源モジュールがAmazonで売っています。「ニキシー管 電源」で検索するとたくさんでてきます。その中で一番安いのを買ってみました。

送料無料で722円でした。もうひとつ別の種類のモジュールも注文したのですが税関で引っかかって届きませんでした。
MAX1771を使った電源です。電圧は150~220Vの間で調整できます。シャットダウン機能がついていて、SHDNピンをHIGHにすると出力をオフにできます。この機能を使わないときはGNDにつないでおきましょう。

配線が付属していましたが、出力の配線の色が間違っていました。基板を確認してどこにつながっているか確かめておきましょう。

動作させてみました。200Vで15mA連続で出力できることを確認しました。このときの入力が12V400mAで、効率は65%程度。
ニキシー管の劣化
ニキシー管の寿命は長く、適切な動作環境下では10年以上持つとされています。全盛期のモデルには公称寿命が20万時間のものもあるとか。
ニキシー管の劣化の要因はスパッタリングという現象です。スパッタリングは放電中にカソードにイオンが衝突したときにカソードの構成物質がはじき出されることです。スパッタリングで電極が消耗して断線すると点灯しなくなります。また、スパッタした物質がガラス内面に付着して表示が見えなくなることもあります。

写真の左が正常な状態、右がスパッタリングが進行したものになります。右のニキシー管は、時計として約8年間使用してきたもので、現時点ではまだ表示に大きな影響は出ていませんが、ガラス内面がメッキのようになって曇っています。
また、ガラスが破損するなどして気密が失われると、ニキシー管は点灯しなくなります。内部のガス環境が保たれていることが、動作の前提条件になります。
さらに、特定の電極だけを長時間使用し続けた場合、スパッタした物質が隣接するカソードに付着して、正常に表示できなくなることがあります。この現象はカソードポイズニングと呼ばれています。
カソードポイズニングが発生した電極に対して、一時的に定格を超える電流を流すことで表示が改善する、という情報もありますが試したことはありません。
ニキシー管の制御とデコーダICについて
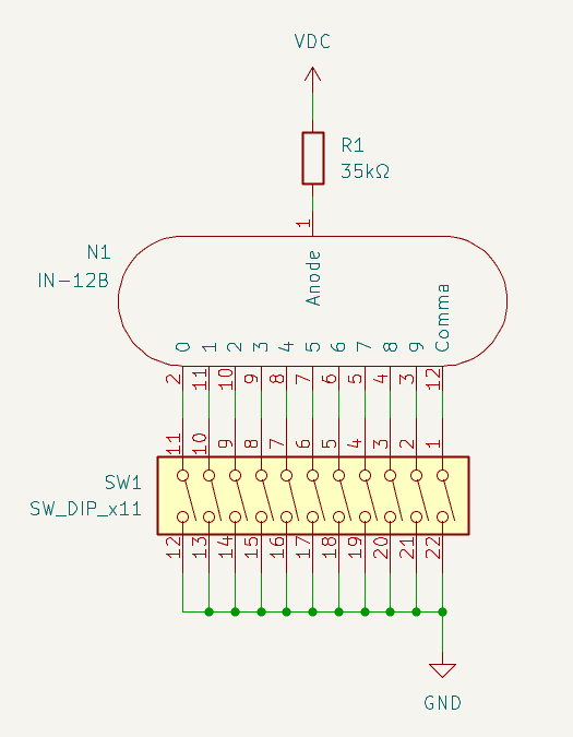
ニキシー管の制御について。アノードに200V程度の電圧をかけて、カソードにそれぞれスイッチをつけてGNDにつなぎます。アノードには電流制限抵抗をはさんでおきます。

こうして点灯させたい所の接点をつなぐことですきな表示をさせることができます。このスイッチをトランジスタなどで置き換えるとマイコンで制御することができます。ただ、数字の数だけカソードがあるので制御しなければならないピンが多くて大変です。
そこでニキシー管制御用のデコーダIC(K155ID1など)というものがあります。このICをニキシー管のカソードにつなぐことで、マイコンの4つのピンで10個のカソードを制御することができます。

あらかじめ決められた信号をICに入力することで任意のカソードをGNDに落として点灯させることができます。

スタティック点灯
ニキシー管を使って4桁の数字を表現したいとき、それぞれの管にデコーダICをつないで計16個のピンを使えばいいことになります。

このように、各ニキシー管を個別に制御し、表示させたい電極に常に電流が流れている状態を
スタティック点灯と呼びます。この名称は、後述するダイナミック点灯と対比する呼び方です。
スタティック点灯では、すべての管が常時点灯しているため、ちらつきがなく、表示がきれいに見えるというメリットがあります。
一方で、表示させる管の本数が増えると、制御対象のピンが多くなるので、規模の大きな表示装置には不向きな方式でもあります。
ダイナミック点灯
ニキシー管や7セグメントLEDなどを効率的に制御するために、ダイナミック点灯というものがあります。ダイナミック点灯は複数の管を同時に点灯させるのではなく、それぞれの管を個別に点灯させて高速で切り替えることで、あたかもすべての管が点灯しているように見せるやり方のことです。

一番左の桁を点灯、消灯、続いて次の桁へ…という流れを高速に繰り返します。

このスピードを速くしていくとすべての桁が同時に点灯しているように見えます。

基本的な構成としては、各桁のアノード側にトランジスタやフォトカプラを入れ、
桁ごとにオン/オフできるようにします。
一方、カソード側はすべての桁で共通化し、デコーダICに接続します。
この構成により、
- アノード側で「どの桁を点灯させるか」
- カソード側で「どの数字を表示するか」
を独立して制御できるようになります。
ダイナミック点灯を採用すると、スタティック点灯に比べて回路を大幅に簡略化できます。アノード側の切り替え回路は必要になりますが、カソード側は全桁共通にできるためです。
ただ、ダイナミック点灯では、切り替え速度が遅いと表示のちらつきが目立つようになります。1つの桁に注目したとき、次に点灯するまでの時間が20ms以上になると、ちらつきを感じやすい印象です。
ダイナミック点灯は高速で点灯する管を切り替えるため、パルス動作となります。パルス動作では常時点灯と比べて瞬間的に流れる電流(ピーク電流)が多くなります。前述したスパッタリングはピーク電流の大きさによって左右されるため、寿命は短くなります。したがってニキシー管の負担を減らすため平均動作電流を下げる、デューティー比を高くする等の工夫が必要です。平均動作電流を小さくするとその分輝度が下がるため、表示のきれいさはスタティック点灯のほうが良好となります。
また、ニキシー管の劣化要因のひとつであるスパッタリングは、放電電流のピーク値の2~3乗に比例して進行するといわれています。
例えば、デューティー比0.5のパルス電圧で動作させる場合を考えます。直流動作と平均動作電流が同じであれば、パルス動作時のピーク電流は直流時の2倍になります。このとき、スパッタリングの進行速度はピーク電流の3乗に比例すると仮定すると、2³ = 8 となり、瞬間的なスパッタリング速度は 8倍 に増加します。
一方で、実際に放電している時間はデューティー比0.5のため 全体の1/2 です。これを考慮すると、パルス動作ではトータルとして 直流動作の約4倍の速度で劣化が進行することになります。
またニキシー管には放電遅れ時間というものが存在します。放電の開始には外部から到来した電子(初期電子)が必要で、周辺光量が低い時は電圧の印加から放電開始までタイムラグができます。入力パルス幅が放電遅れ時間よりも短い場合、放電を開始できず、ニキシー管が点灯しないということも起こります。
ダイナミック点灯の注意点 「ゴースト」について

ゴーストとは、本来は点灯していないはずの数字が、うっすらと光って見えてしまう現象のことです。この現象を理解するためには、実際のスイッチング動作にどれくらいの時間がかかっているのかを知る必要があります。
具体例で考えてみます。ニキシー管のアノード側のスイッチングを、フォトカプラの TLP627 で行うとします。TLP627を使ったスイッチング回路を組み、そのときのアノード電圧をオシロスコープで観測してみます。

上段がアノード電圧(100V/div)、下段がマイコンの出力信号です。掃引速度は 1ms/div に設定しています。マイコンの出力がオフになると、アノード電圧はすぐには下がらず、少し遅れて減少していく様子が確認できます。
この波形では、アノード電圧が放電維持電圧の下限である約120Vまで下がるのに、およそ1msかかっています。この電圧が十分に下がりきる前に、次の桁に対応するカソード制御信号を出してしまうと、意図しない数字が表示されてしまいます。これがゴースト現象です。
この問題を防ぐには、アノード制御をオフにしてから次のカソード制御信号を出すまでの間に、一定の待ち時間を設けます。アノード電圧が十分に低下してから次の桁の制御に移ることで、ゴーストを防止できます。なお、デコーダICのスイッチング速度はフォトカプラに比べて十分に速いため、特別に意識する必要はありません。
今回使用している TLP627 は、内部にダーリントン接続トランジスタを採用しているため、スイッチング速度が比較的遅いという特性があります。より高速にスイッチングできる素子をアノード制御に使用すれば、この待機時間をさらに短縮することが可能です。
正バイアス特性
ニキシー管は管内に複数の電極が封入されているため、点灯している電極以外のものがどういう振る舞いをするのかを知る必要があります。

ここでひとつのカソードを点灯させて、そのほかのカソードをすべてつないで正のバイアス電圧を加えます。このとき流れる電流を拡散電流といい、バイアス電圧を変化させたときの拡散電流の大きさを調べます。

これがその結果です。バイアス電圧をかけた状態か電圧を下げていくと拡散電流が増加していきます。拡散電流が増えると本来非点灯であるはずのカソードがぼんやりと光るようになります。カソードの制御を行うトランジスタなどのスイッチング素子の選定が良くないと、非点灯カソードの電位が下がってしまい、正しく表示できなくなります。
一方でひとつのカソードを点灯させたとき、そのほかのカソードの電圧がどうなるかを調べます。

アノードから一番遠いカソードを点灯させたときの非点灯カソードの電圧の計測結果がこちらです。非点灯カソードはどこにもつないでいない状態です。グラフの並びは管内のカソードの並びと同じにしています。非点灯のカソードであっても管内のプラズマの中にさらされているため、点灯カソードに近いほど電位が高くなっています。ここで問題になるのがダイナミック点灯で並列した管のカソードを繋いでいる場合です。

点灯中の管の中で隣接するカソードの電位が引き上げられると、隣接する管の中でアノードとして動作してしまい、並列する管も点灯してしまうことがあります。そこで必要となるのが正バイアスクランプ回路です。

これがカソードのバイアス電圧クランプ回路です。抵抗分圧などでバイアス電圧を作って、すべてのカソードにクランプダイオードを接続します。これによって非点灯カソードの電圧上昇を防いで異常放電を抑えることができます。ニキシー管の種類によってはバイアス電圧が指定されている場合もあります。書かれていないとしても、50~70V程度のバイアス電圧でクランプしておくと無難だと思います。
以上、ニキシー管の基本的な使い方でした。次は実際に作ったものを紹介します。
関連記事はこちら
・ニキシー管でいろいろなものを表示するものを作った【ハードウェア編】
・ニキシー管でいろいろなものを表示するものを作った【ソフトウェア編】
・Libre Hardware MonitorでPCの情報を取得する

